Entrega entre 3-10 dias Perfis e Calhas 6240 Perfil de alumínio em U de 9mm (Mt) Adam Hall 6240 2,60 € Preço por metro. Fornecido em barras de 2 metros. Aluminium channel for 9 mm divider panel 0,163 kg/m Adicionar ao carrinho
Entrega entre 3-10 dias Perfis e Calhas Perfil alumínio encaixe híbrido 7mm Adam Hall EH7 3,10 € Preço apresentado é por metro Pode ser fornecido em varas de 1Mt ou 2Mt Aluminium Hybrid Lid Location for 7 mm Material Outside thickness on both sides: 1.5 mm Adicionar ao carrinho
Sem Stock Perfis e Calhas Cantoneira Aluminio Flight 32mm Adam Hall 6105 CL32 3,46 € Preço apresentado é por metro Pode ser fornecido em varas de 1Mt ou 2Mt Aluminium Case Angle 32 x 32 mm Adicionar ao carrinho
Entrega entre 3-10 dias Fechos PENN L2470 Fecho Medio Sistema Slam Lid PENN ELCOM L2470 3,90 € Fecho Slam para o sistema Slam-Lid. Fácil de montar: Faça os furos de montagem e coloque o fecho Slam alinhado dentro da tampa do Flight Case. Para abrir a tampa, coloque o dedo, solte a trava e remova a tampa. Compatível com o perfil E0490, canto C0675 / 30 e trava P2472 Adicionar ao carrinho
Entrega entre 3-10 dias Pegas e Asas Asa de mola pequena com borracha H7151 H7151 5,28 € zinc plated Adicionar ao carrinho
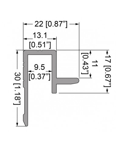
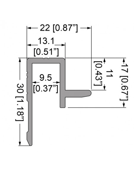
Entrega entre 3-10 dias Perfis e Calhas PENN E0775 Cantoneira Aluminio Flight 30mm E0775 3,09 € Preço apresentado é por metro Pode ser fornecido em varas de 1Mt ou 2Mt Perfil em L simples Bordas 29.8mm / 1.17" Perfil em L simples Material: 1.5mm / 16 gauge Alumínio 6063-T5 Adicionar ao carrinho
Sem Stock Pegas e Asas 34082 Pega de Rack com mola embutida 34082 5,04 € Recessed sprung handle with full width grip and strengthened top plate in 8 mm deep steel dish. Zinc plated with black PVC grip. Fixing holes: 5.1 mm Adicionar ao carrinho
Entrega entre 3-10 dias Cantos e Pés F1687 Pé de Borracha 38x10mm F1687 0,70 € 38 mm rubber foot black with steel insert. Height: 10 mm. Fixing hole: 6,5 mm. Adicionar ao carrinho
Entrega entre 3-10 dias Cantos e Pés PENN C0675/30Z Canto 2 Patas para Slam Lid C0675/30Z 0,79 € Adicionar ao carrinho
Entrega entre 3-10 dias Fechos PENN L2470 Fecho Medio Sistema Slam Lid PENN ELCOM L2470 3,90 € Fecho Slam para o sistema Slam-Lid. Fácil de montar: Faça os furos de montagem e coloque o fecho Slam alinhado dentro da tampa do Flight Case. Para abrir a tampa, coloque o dedo, solte a trava e remova a tampa. Compatível com o perfil E0490, canto C0675 / 30 e trava P2472 Adicionar ao carrinho
Entrega entre 3-10 dias Perfis e Calhas Calha Perfil de Rack R-0863 22U 1Mt R-0863 11,95 € Calha de rack, furação europaComprimento: 22 Unidades rack util Pode ser fornecido em calhas de 2mt e 44Un Adicionar ao carrinho
Entrega entre 3-10 dias Perfis e Calhas PENN E0775 Cantoneira Aluminio Flight 30mm PENN ELCOM E0775 3,09 € Preço apresentado é por metro Pode ser fornecido em varas de 1Mt ou 2Mt Perfil em L simples Bordas 29.8mm / 1.17" Perfil em L simples Material: 1.5mm / 16 gauge Alumínio 6063-T5 Adicionar ao carrinho
Entrega entre 3-10 dias Suportes e Acessorios Video EUROLITE LVH-8 Video controlled relay 81013208 25,60 € Adicionar ao carrinho
Sem Stock Fechos PENN L2470 Fecho Medio Sistema Slam Lid PENN ELCOM L2470 3,90 € Fecho Slam para o sistema Slam-Lid. Fácil de montar: Faça os furos de montagem e coloque o fecho Slam alinhado dentro da tampa do Flight Case. Para abrir a tampa, coloque o dedo, solte a trava e remova a tampa. Compatível com o perfil E0490, canto C0675 / 30 e trava P2472 Adicionar ao carrinho